TL-VP1T-PLM Edition 2 January 2022
Cordless Screwdriver and Nutrunner
QX Connect Series
Parts Information
Use lithium-based, electrical contact grease with no particles for all electrical connections
TL-VP1T-PLM_ed2
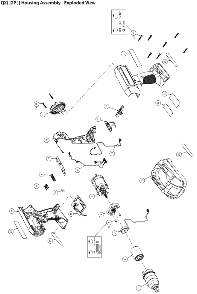
QX{ }2P{ } Housing Assembly - Parts List
| Item | Part Description | Part Number (CCN) |
|---|---|---|
| 1 | Gear Case Assembly, 1/4" Quick Change | VP1-A8-Q4 (47103320) |
| Gear Case Assembly, 1/4" Square Drive | VP1-A8-S4 (47103312) | |
| Gear Case Assembly, 3/8" Square Drive | VP1-A8-S6 (47104179) | |
| 2 | Gear Pack Assembly, QX{ }2PT004{ } Series | TA-VP1T-037-13P18 |
| Gear Pack Assembly, QX{ }2PT008{ } Series | TA-VP1T-037-17P1 | |
| Gear Pack Assembly, QX{ }2PT012{ } Series | TA-VP1T-037-26P6 | |
| Gear Pack Assembly, QX{ }2PT018{ } and QX{ }2PT024{ } Series | TA-VP1-2169-16C | |
| 3 | Transducer Assembly, QX{ }2PT004{ }, QX{ }2PT008{ } and QX{ }2PT012{ } Series | VP1-A756 (47107073) |
| Transducer Assembly, QX{ }2PT018{ } and QX{ }2PT024{ } Series | VP1-A756-18 (47515463001) | |
| 4 | Screw (M3 x 0.5), (2 required) | CPS2-667-735 (45589140) |
| 5 | Motor Mount | TP-VP1-108 |
| 6 | Motor Assembly | TA-VP1-054 |
| 7 | Trigger Assembly | TP-VP1-A093RD |
| 8 | Spring | VP1-726 (47088356) |
| 9 | Handle Assembly (both halves) | VP1-A59 (48394266) |
| 10 | Switch, F/R Assembly | TP-VP1-A075RD |
| **11 | Back Cap Assembly, QX{ }D2P{ } Series | |
| Back Cap Assembly, QX{ }N2P{ } Series | See Pistol Back CapTable | |
| Back Cap Assembly QXWD2P{ } Series | ||
| * | Keypad | TP-VA1-070RD |
| * | OLED Display | VP1-888-C (47526666) |
| 12 | Screw (9 required) | VP1-105 (47111778) |
| 13 | Motor Controller Board, 20V QX{ }2PT004{ }, QX{ }2PT008{ }, QX{ }2PT012{ and QX{ }2PT018{ } Series | TA-VP1T-499-1 |
| Motor Controller Board, 40V QX{ }2PT024{ } Series | TA-VA2T-499-1 | |
| 14 | USB Cover | TP-VP1T-441RD |
| 15 | Retainer Battery, QX{ }2P{ }V{ } and QX{ }2P{ }H{ } | VP1-202V (47506474001) |
| 16 | PCB, Trigger and F/R | 84737-A499-5 (47101332) |
| 17 | Internal Interface Cable | 84737-CABLE-1 (47106117) |
| 18 | Power Board Assembly, 20V Pistol | TA-VP1T-499-3 |
| 19 | Motor Hall Cable | 84737-CABLE-2 (47106299) |
| 20 | O-Ring, PCB | VP1-282 (47104211) |
| 21 | Name Plate Label | TL-VP1T-301-P |
| 22 | Certification Label | TL-VP1T-300 |
| 23 | Information Label | TL-VP1T-486 |
| 24 | Warning Label, QX{ }2P{ }P and QX{ }2P{ }E{ } Series | TL-VP1T-099-P |
| Warning Label, QX{ }2P{ }V and QX{ }2P{ }H{ } Series | TL-VP1T-099-V | |
| Tool Foot Label, QX{ }2P{ }P{ } Series | TL-VP1T-099-3 | |
| Tool Foot Label, QX{ }2P{ }E{ } Series | TL-VP1T-099-4 | |
| Tool Foot Label, QX{ }2P{ }V{ } Series | TL-VP1T-099-1 | |
| 25 | Tool Foot Label, QX{ }2P{ }H{ } Series | TL-VP1T-099-2 |
| Tool Foot Label, QXWD2P{ }P{ } Series | TL-VP1T-099-5 | |
| Tool Foot Label, QXWD2P{ }E{ } Series | TL-VP1T-099-6 | |
| 26 | Retainer foot Label, QX{ }2P{ }V and QX{ }2P{ }H{ } Series | VP1-99V-2 (47508447001) |
| * | IR #69 Grease | VP1-1LB (48413157) |
TL-VP1T-PLM_ed2
VP1-A8-S6 3/8 " Square Gear Case Assembly QX{ }2PT{ }S06 Series
| Item | Part Description | Part Number (CCN) |
|---|---|---|
| 27 | Nut | VP1-305 (47112230) |
| 28 | Thrust Washer | DAA6A-107 (04694006) |
| 29 | Thrust Bearing | R1610-105 (03119559) |
| 30 | Gear Housing Assembly | VP1-A40 (47103882) |
| 31 | Spindle, Square 3/8" | VP1-807-S6 |
| 32 | Retainer | 5020-716 (03046679) |
| 33 | Spring | 401-718 (03060993 |
VP1-A8-S4 ¼ " Square Gear Case Assembly QX{ }2PT{ }S04 Series
| Item | Part Description | Part Number (CCN) |
|---|---|---|
| 27 | Nut | VP1-305 (47112230) |
| 28 | Thrust Washer | DAA6A-107 (04694006) |
| 29 | Thrust Bearing | R1610-105 (03119559) |
| 30 | Gear Housing Assembly | VP1-A40 (47103882) |
| 34 | Pin | 47028 (04130266) |
| 35 | Insert (Rubber) | 46749 (04124632) |
| 36 | Spindle, ¼" Square | VP1-807-S4 |
TL-VP1T-PLM_ed2
VP1-A8-Q4 Quick Change Gear Case Assembly QX{ }2PT{ }04 Series
| Item | Part Description | Part Number (CCN) |
|---|---|---|
| 27 | Nut | VP1-305 (47112230) |
| 28 | Thrust Washer | DAA6A-107 (04694006) |
| 29 | Thrust Bearing | R1610-105 (03119559) |
| 30 | Gear Housing Assembly | VP1-A40 (47103882) |
| 37 | Ball | R000B-263 (03095031) |
| 38 | Multi Turn Snap Ring | 182A13-CXRSN50 (95994521) |
| 39 | Collar, Quick Change | CPS2-930 (45551827) |
| 40 | Spring | TRH-931 (04681615) |
| 41 | Spacer, Quick Change | CPS2-244 (45555125) |
| 42 | Retaining Ring | VP1-118 (47512717) |
| 43 | Spindle, Quick Connect | VP1-8-Q4 (47103346) |
| Back Cap Assembly - 20V Pistol Tool | |||
|---|---|---|---|
| CCN(Part Number) | ModelType | CCN(Part Number) | ModelType |
| QXXD2PT000P000 | QXXD2P{ }P{ } | QXXN2PT000P000 | QXXN2P{ }P{ } |
| QXXD2PT000E000 | QXXD2P{ }E{ } | QXXN2PT000E000 | QXXN2P{ }E{ } |
| QXBD2PT000P000 | QXBD2P{ }P{ } | QXBN2PT000P000 | QXBN2P{ }E{ } |
| QXBD2PT000E000 | QXBD2P{ }E{ } | QXBN2PT000E000 | QXBN2P{ }P{ } |
| QXFD2PT000P000 | QXFD2P{ }P{ } | QXFN2PT000P000 | QXFN2P{ }P{ } |
| QXFD2PT000E000 | QXFD2P{ }E{ } | QXFN2PT000E000 | QXFN2P{ }E{ } |
| QXWD2PT000P000 | QXWD2P{ }P{ } | --- | --- |
| QXWD2PT000E000 | QXWD2P{ }E{ } | --- | --- |
Suggested Tools
| Tool Used | Part Description | Where Used? |
|---|---|---|
| Torque Screwdriver | 2 Nmcapacity | Housing and Motor Mount screws |
| T10 Torx Bit | --- | Housing screws |
| AllenWrench | 2mm | Motor Mount screws |
| Nylon Pick | --- | O-Rings, Wires, etc. |
| TorqueWrench | ⅜" Square Drive, 20 Nmcapacity | Gear Case Housing Nut |
| Bearing Nut Tool | IR Part # VP1-00003 (47128921) | Gear Case Housing Nut |
TL-VP1T-PLM_ed2
QX{ }2A{ } Housing Assembly - Exploded View
TL-VP1T-PLM_ed2
QX{ }2A{ } Housing Assembly - Parts List
Table 1
| Item | Part Description | Part Number (CCN) | Item | Part Description | Part Number (CCN) |
|---|---|---|---|---|---|
| 1 | Angle Head Assembly | See Table 2 | * | OLED Display | VP1-888-C (47526666) |
| 2 | Lock Spacer | 22 | Screw (7 required) | 47111778 | |
| 3 | Plug, F/R Blank | VA1-556 (47522589001) | 23 | Name Plate Assembly | TA-VA1T-301-P |
| 4 | Spacer | See Table 2 | 24 | Retainer Foot Label | VP1-99V-2 (47508447001) |
| 5 | Gear Case Assembly | 25 | Retainer Warning Label | VP1-99V (47506214001) | |
| 6 | Gear Pack Assembly | 26 | Warning Label | TL-VA1T-099-V | |
| 7 | Transducer Assembly | Warning Label | TL-VA1T-099-P | ||
| 8 | Screw | CPS2-667-735 (45589140) | 27 | Tool Foot Label, QX{ }2A{ }P | TL-VP1T-099-3 |
| 9 | Motor Mount Assembly | VA1-A40Y | Tool Foot Label, QX{ }2A{ }E | TL-VP1T-099-4 | |
| 10 | Motor Assembly | TA-VP1-054 | Tool Foot Label, QX{ }2A{ }V | TL-VP1T-099-1 | |
| 11 | Screw, Grub | VA1-78 (47507397001) | Tool Foot Label, QX{ }2A{ }H | TL-VP1T-099-2 | |
| 12 | Motor Mount Support | VA1-A28 (47504028001) | Tool Foot Label, QXWD2A{ }P{ } | TL-VP1T-099-5 | |
| 13 | Screw | 4751446001 | Tool Foot Label, QXWD2A{ }E{ } | TL-VP1T-099-6 | |
| 14 | Hex, Nut | 19M4JS7M3 (45638756) | 28 | Information Label | TL-VP1T-300 |
| 15 | Button, F/R | TP-VA1-075RD | 29 | Certification Label | TL-VP1T-486 |
| 16 | Trigger Assembly | TP-VA1T-093RD | 30 | Internal Interface Cable | VA1-505 (24471336) |
| 17 | Power Board Assembly | TA-VA1T-499-3 | 31 | Motor Control Board | TA-VP1T-499-1 |
| 18 | O-Ring, PCB | VP1-282 (47104211) | 32 | Battery Retention Device | VA1-202V (47521241001) |
| 19 | Spring | VA1-726 (24362386) | 33 | USB Cover | TP-VA1-441RD |
| 20 | Housing Assembly | VA1-A59 (4750731101) | * | IR #69 Grease, 1lb | VP1-1lb (48413157) |
| **21 | Back Cap Assembly, QX{ }D2A{ } | See 20V Angle Back Cap Table | * | IR #67 Grease, 4oz | 67-4T (04637336) |
| Back Cap Assembly, | * | IR #67 Grease, 1lb | 67-1LB | ||
| QX{ }N2A{ } | * | IR #67 Grease, 8lb | 67-8LB | ||
| Back Cap Assembly, QXWD2A{ } | * | GreaseTube Head (For QX Angle tools. Use with 4 Oz Grease Tube) | GTH-1 (04616124) | ||
| * | Keypad | TP-VA1-070RD |
TL-VP1T-PLM_ed2
QX{ }2A Attachment Components - Exploded View
T able 2
| Item | Part Description | Part Number (CCN) | |||||
|---|---|---|---|---|---|---|---|
| QX{ }2A{ }027{ }S06 | QX{ }2A{ }018{ }Q04 | QX{ }2A{ }018{ }S06 | QX{ }2A{ }015{ }S06 | QX{ }2A{ }010{ }S06 | QX{ }2A{ }005{ }Q04 | ||
| 1 | Angle Head Assembly | GAA4S6K (47524190001) | CPS3Q4 (45601457) | CPS3S6 (45601432) | QAS-25-A550 (47152582) | QAS-25-A550 (47152582) | QAS-18-A550-SQ4 (48617062) |
| 2 | Lock Spacer | --- | CPS3-682 (45592193) | CPS3-682 (45592193) | QAS-682 (47151170) | QAS-682 (47151170) | QAS-682 (47151170) |
| 4 | Spacer | VA1-80 (47515640001) | --- | --- | --- | --- | --- |
| 5 | Gear Case Assembly | VA1-180-AL (47516176001) | VA1-A37-CP (24509523) | VA1-A37-CP (24509523) | VA1-A37-RS (24627010) | VA1-A37-RS (24627010) | VA1-A37-RS (24627010) |
| 6 | Gear Pack Assembly | TA-VA1T-037-39P7 TA-VA1T-037-26P6 TA-VA1T-037-36P6 TA-VA1T-037-36P6 TA-VA1T-037-17P1 TA-VA1T-037-13P18 | |||||
| 7 | Transducer Assembly | VA1-A756-27 (47515475001) | VA1-A756 (24358798) | VA1-A756 (24358798) | VA1-A756 (24358798) | VA1-A756 (24358798) | VA1-A756 (24358798) |
| 34 | Bit Retaining Spring | --- | TRH-931 (04681615) | --- | --- | --- | TRH-931 (04681615) |
| 35 | Bit Retaining Ball | --- | R000B-263 (03095031) | --- | --- | --- | R000B-263 (03095031) |
| 36 | Multi Turn Snap Ring | --- | 182A13-CXRSN50 (95994521) | --- | --- | --- | 182A13-CXRSN50 (95994521) |
| 37 | Collar, Quick Change | --- | CPS2-930 (45551827) | --- | --- | --- | CPS2-930 (45551827) |
| 38 | Spacer, Quick Change | --- | CPS2-244 (45555125) | --- | --- | --- | CPS2-244 (45555125) |
| 39 | Retaining Ring | --- | VP1-118 (47512717) | --- | --- | --- | VP1-118 (47512717) |
| 40 | Socket Retaining Pin | 5020-716 (03046679) | --- | 5020-716 (03046679) | 5020-716 (03046679) | 5020-716 (03046679) | --- |
| 41 | Socket Retaining Spring | 401-718 (03060993) | --- | 401-718 (03060993) | 401-718 (03060993) | 401-718 (03060993) | --- |
| 42 | Retaining Ring | --- | 184A13CXUR81 (96955059) | 184A13CXUR81 (96955059) | 184A13CXUR81 (96955059) | 184A13CXUR81 (96955059) | 184A13CXUR81 (96955059) |
| 43 | Bearing Spindle (2 required) | --- | CPS2-22 (45552809) | CPS2-22 (45552809) | CPS2-22 (45552809) | CPS2-22 (45552809) | CPS2-22 (45552809) |
| 44 | O-Ring (2 required) | --- | 20A11CMC018 (96955042) | 20A11CMC018 (96955042) | 20A11CMC018 (96955042) | 20A11CMC018 (96955042) | 20A11CMC018 (96955042) |
| 45 | Spacer | GEA40-591 (80119605) | --- | --- | --- | --- | --- |
TL-VP1T-PLM_ed2
| BACK CAPASSEMBLY- 20V Angle | |||
|---|---|---|---|
| Part Number | ModelType | Part Number | ModelType |
| QXXD2AT000P000 | QXXD2A{ }P{ } | QXXN2AT000P000 | QXXN2A{ }P{ } |
| QXXD2AT000E000 | QXXD2A{ }E{ } | QXXN2AT000E000 | QXXN2A{ }E{ } |
| QXBD2AT000P000 | QXBD2A{ }P{ } | QXBN2AT000P000 | QXBN2A{ }E{ } |
| QXBD2AT000E000 | QXBD2A{ }E{ } | QXBN2AT000E000 | QXBN2A{ }P{ } |
| QXFD2AT000P000 | QXFD2A{ }P{ } | QXFN2AT000P000 | QXFN2A{ }P{ } |
| QXFD2AT000E000 | QXFD2A{ }E{ } | QXFN2AT000E000 | QXFN2A{ }E{ } |
| QXWD2AT000P000 | QXWD2A{ }P{ } | --- | --- |
| QXWD2AT000E000 | QXWD2A{ }E{ } | --- | --- |
TL-VP1T-PLM_ed2
Use lithium-based, electrical contact grease with no particles for all electrical connections
TL-VP1T-PLM_ed2
QX{ }5A{ } Housing Assembly - Parts List
| Item | Part Description | Part Number (CCN) | Item | Part Description | Part Number (CCN) |
|---|---|---|---|---|---|
| 1 | Angle Head Assembly: QX{ }5A{ }020 and QX{ }5A{ }030 | GAA2S6-H (47527606001) | 22 | Internal Interface Cable | VA1-505 (24471336) |
| Angle Head Assembly: QX{ }5A{ }35{ }S08 | GAA4S8-H (47527607001) | Back Cap Assembly: QX{ }D5A{ } Back Cap Assembly: | See 40V Angle Back Cap Table | ||
| Angle Head Assembly: QX{ }5A{ }035{ }S06 | GAA4S6-H (47527608001) | **23 | QX{ }N5A{ } Back Cap Assembly: | ||
| Angle Head Assembly: QX{ }5A{ }040 and QX{ }5A{ }080 | GAA5S8-H (47527609001) | QXWD5A{ } | |||
| 2 | Coupling Nut | GEA40-27 (22041180) | * | Keypad OLED Display | TP-VA1-070RD VP1-888-C (47526666) |
| 3 | Coupling Nut Retainer | DAA4-29 (04341368) | * 24 | Battery Retainer Device | VA1-220V (47521241001) |
| 4 | Spacer | GEA40-591 (80119605) | 25 | Screw | VP1-105 (47111778) |
| 5 | Retaining Ring | W64-118 (03084266) | 26 | Housing Assembly | VA2-A59 (47518205001) |
| 6 | WSHR-Gear Retainer | DEM40-81 (04569752) | 27 | O-Ring, PCB | VP1-282 (47104211) |
| 7 | Seal, Grease | GEA40-248 (80106958) | 28 | Name Plate Label | TL-VA1T-301-P |
| 8 | Spring,Wave (1.375 O.D) | GEA40-250 (80106982) | Warning Label: QX{ }5A{ }V | TL-VA1T-099-V | |
| 9 | Gear Pack Assembly: QX{ }5A{ }020 | GEA40-17-M37 (22038186) | 29 | Warning Label: QX{ }5A{ }P | TL-VA1T-099-P |
| Tool Foot Table, QX{ }5A{ }V | TL-VP1T-099-1 | ||||
| Gear Pack Assembly: QX{ }5A{ }030 | GEA40-22-M37 (22038178) | 30 | Tool Foot Table, QX{ }5A{ }H | TL-VP1T-099-2 | |
| Gear Pack Assembly: QX{ }5A{ }035 and QX{ }5A{ }040 | Tool Foot Table, QX{ }5A{ }P | TL-VP1T-099-3 | |||
| Gear Pack Assembly: | GEA40-28-M37 (22038160) | Tool Foot Table, QX{ }5A{ }E | TL-VP1T-099-4 | ||
| QX{ }5A{ }080 | GEA40-40-M37 (22036503) | Tool Foot Table, QXW5A{ }P | TL-VP1T-099-5 | ||
| --- | Tool Foot Table, QXW5A{ }E | TL-VP1T-099-6 | |||
| 10 | Gear Case Viper HT Sleeve, Gear Case | (47511179001) | 31 | Certification Label | TL-VP1T-300 |
| 11 | Cover, Motor Mount | VA2-145 VA2-427 (47511904001) | 32 | Information Label | TL-VP1T-486 |
| 12 13 | Transducer Assembly | VA2-A756 (47518495001) | 33 | Warning Label | VP1-99V (47506214001) |
| * | VA2-K53-7 (47539541001) | 34 | Battery Holder Label | VP1-99V-2 (47508447001) | |
| K7 Motor Assembly: { }20PS06, { }30PS06, { }30PS08, | 35 | Motor Controller Board | TA-VA2T-499-1 | ||
| { }60PS08 and { }80PS08 | * | IR #67 Grease, 4 oz | 67-4T | ||
| K11 Motor Assembly: | VA2-K53-11 (47539540001) | * | IR #67 Grease, 1 lb | 67-1 LB | |
| { }35PS06, { }35PS08 and { }40PS08 | * | IR #67 Grease, 8 lb | 67 8 LB | ||
| 14 | Pinion | --- | * | GreaseTube Head | GTH-1 |
| 15 | Motor Assembly | --- | (for QX{ }5A{ } Angle Tools. Use | ||
| 16 | Plug, F/R Blank | VA1-556 (47522589001) | with 4 oz Grease Tube) IR #170 Grease, 1 lb | ||
| 17 | Button F/R Assembly | TP-VA1-075RD | * | IR #170 Grease, 8 lb | 170-1LB |
| 18 19 | Trigger Assembly Spring, Torsional | TP-VA1-093RD VA1-726 (24362386) | * | 170-8LB | |
| 20 | USB Cover | TP-VA1-441RD | |||
| 21 | Power Board Assembly | TA-VA2T-499-3 |
TL-VP1T-PLM_ed2
QX{ }5A Transducer Assembly and Gearing Components - Exploded View
QX{ }5A Transducer Assembly and Gearing Components - Parts List
| Item | Part Description | Part Number (CCN) | |||
|---|---|---|---|---|---|
| QX{ }60PS08& QX{ }80PS08 | QX{ }40PS08, QX{ }35PS08, &QX{}35PS06 | QX{ }30PS08& QX{ }30PS06 | QX{ }20PS06 | ||
| 14 | Pinion | --- | --- | --- | --- |
| 13 | Transducer Assembly | VA2-A756 (47518495001) | VA2-A756 (47518495001) | VA2-A756 (47518495001) | VA2-A756 (47518495001) |
| 9 | Gear Pack Assembly | GEA40-40-M37 (22036503) | GEA40-28-M37 (22038160) | GEA40-22-M37 (22038178) | GEA40-17-M37 (22038186) |
| 36 | Ring Gear | GEA40-406 (22038079) | GEA40-406 (22038079) | GEA40-406 (22038079) | GEA40-406 (22038079) |
| 37 | Retaining Ring | 4E-118 (03079738) | 4E-118 (03079738) | 4E-118 (03079738) | 4E-118 (03079738) |
| 38 | Spacer, Rear | GEA40-81 (22036495) | GEA40-81 (22036495) | GEA40-81 (22036495) | GEA40-81 (22036495) |
| 39 | Gearhead Assembly (1st stage) | GEA40-A216-20 (22038004) | GEA40-A216-19 (80096126) | GEA40-A216-17 (80096142) | GEA40-A216-14 (80096050) |
| * | Gearhead | --- | --- | --- | --- |
| * | Planet Pin | --- | --- | --- | --- |
| 40 | Needle Bearing (1st) | 6WTM-500 (03800299) | DAA40-500 (04008108) | 6WTM-500 (03800299) | 6WTM-500 (03800299) |
| 41 | Planet Gear (1st) | 4RLL-10 (03822962) | DEA31-10 (04282158) | 4RLN-10 (03822988) | GEA40-10-14 (80098064) |
| 42 | Sun Gear (1st) | --- | --- | DAA25-17 (04008140) | GEA40-17-21 (22039317) |
| 43 | Spacer | GEA40-80 (22041883) | GEA40-80 (22041883) | GEA40-80 (22041883) | GEA40-80 (22041883) |
| 44 | Spindle Assembly (2nd stage) | GEA40-A8-18 (22038145) | GEA40-A8-18 (22038145) | GEA40-A8-18 (22038145) | GEA40-A8-18 (22038145) |
| * | Spindle | --- | --- | --- | --- |
| * | Planet Pin | --- | --- | --- | --- |
| * | Planet Gear (2nd) | --- | --- | --- | --- |
| * | Planet Bearing (2nd) | --- | --- | --- | --- |
| 7 | Grease Seal | GEA40-248 (80106958) | GEA40-248 (80106958) | GEA40-248 (80106958) | GEA40-248 (80106958) |
| 8 | Wave Spring | GEA40-250 (80106982) | GEA40-250 (80106982) | GEA40-250 (80106982) | GEA40-250 (80106982) |
| 6 | Retainer Washer | DEM40-81 (04569752) | DEM40-81 (04569752) | DEM40-81 (04569752) | DEM40-81 (04569752) |
| 1 | Retaining Ring | W64-118 (03084266) | W64-118 (03084266) | W64-118 (03084266) | W64-118 (03084266) |
TL-VP1T-PLM_ed2
QX{ }5A Angle Assembly Attachment - Exploded View
QX{ }5A Angle Head Assembly - Parts List
| Part Number (CCN) | |||||
|---|---|---|---|---|---|
| Item | Part Description | QX{ }80PS08, QX{ }60PS08& QX{ }40PS08 | QX{ }35PS08& QX{ }30PS08 | QX{ }35PS06& QX{ }30PS06 | QX{ }20PS06 |
| 1 | Angle Assembly Attachment | GAA5S8-H (47527609001) | GAA4S8-H (47527607001) | GAA4S6-H (47527608001) | GAA2S6-H (47527606001) |
| 45 | Socket, Retaining Spring | 5UHD-718 (03072766) | 5UHD-718 (03072766) | 401-718 (03060993) | 401-718 (03060993) |
| 46 | Socket, Retaining Pin | 804-716 (03064201) | 804-716 (03064201) | 5020-716 (03046679) | 5020-716 (03046679) |
| 4 | Spacer | GEA40-591 (80119605) | GEA40-591 (80119605) | GEA40-591 (80119605) | GEA40-591 (80119605) |
| 2 | Coupling Nut, Long (with holes) | GEA40-27 (22041180) | GEA40-27 (22041180) | GEA40-27 (22041180) | GEA40-27 (22041180) |
| 47 | Coupling Nut, Short (with flats) | DAA4-27 (04341285) | DAA4-27 (04341285) | DAA4-27 (04341285) | DAA4-27 (04341285) |
| 5 | Retainer | DAA4-29 (04341368) | DAA4-29 (04341368) | DAA4-29 (04341368) | DAA4-29 (04341368) |
TL-VP1T-PLM_ed2
QX{ }5A Suggested Tools
| Tool Used | Part Description | Where Used? |
|---|---|---|
| SpannerWrench | IR Part #GEA40-478 (80114440) | Coupling Nut |
| TorqueWrench | 1/2" Sq. Drive, 50 ft-lb capacity | General use |
| AdjustableWrench | --- | Coupling Nut (with flats) |
| Internal Snap Ring Pliers | --- | General use |
| Pick | --- | O-Rings, Wires, etc. |
| T10 Torx Bit | --- | Housing Screws |
TL-VP1T-PLM_ed2
| Part Description | Part Number (CCN) |
|---|---|
| Information Label | TL-VP1T-486 |
| Certification Label | TL-VP1T-300 |
TL-VP1T-PLM_ed2
TL-VP1T-PLM_ed2
QX Accessories (Optional) - Parts List
| Item | Part Description | Part Number (CCN) |
|---|---|---|
| 1 | Communication Kit (USB Cable & ICS Software) | 84737-COMM-KIT (48414460) |
| 2 | USB Cable | 84737-CABLE-USB (48412613) |
| *3 | Bearing Nut Tool | VP1-00003 (47128921) |
| * 4 | Suspension Bail | VP1-365 (48382147) |
| *5 | Auxiliary Handle | VP1-A48 (47107263) |
| *6 | Motor Unit Kit | VP1-K40 |
| *7 | Gear Case Holding Fixture (use with Bearing Nut Tool, VP1-00003) | VP1-A00004 (47603377001) |
| # * 8 | Tool Boot with Covered Display (Red) | VP1-BOOT-NP (47498430) |
| Tool Boot with Open Display (White) | VP1-WT-BOOT (47557360001) | |
| Tool Boot with Open Display (Red) | VP1-BOOT (48411292) | |
| * 9 | Retaining Ring Tool (for VP1-118) | VP1-00001 (47126982) |
| *10 | Retaining Ring Tool (for 182A13-CXRSN50) | VP1-00002 (47128889) |
| **11 | Holder | VA1-239 (47526047) |
| **12 | Tool Hanger Assembly | |
| for Models { }005P{ }, { }010P{ }, { }015P{ }, { }018P{ } | CPS2-A365 (45592979) | |
| for Models { }020P{ }, { }027P{ }, { }030P{ }, { }035P{ }, { }040P{ }, { }060P{ }, { }080P{ } | GEA40-A365 (45567849) | |
| **13 | Angle Head Sleeve | |
| for Models { }018P{ }, { }020P{ } | GEA40-170 (80095847) | |
| for Models { }027P{ }, { }030P{ }, { }035P{ } | GEA40-171 (80095888) | |
| for Models { }040P{ }, { }060P{ }, { }080P{ } | GEA40-172 (80095409) | |
| **14 | Extended Boot | |
| + | for Model { }005P{ } | VA1-R18-170 (47526045) |
| + | for Models { }010P{ }, { }015P{ } | VA1-R25-170 (47526046) |
| for Models { }018P{ }, { }020P{ } | GAA2-170 (80199557) | |
| for Models { }027P{ }, { }030P{ }, { }035P{ } | GAA4-170 (80199052) | |
| for Models { }040P{ }, { }060P{ }, { }080P{ } | GAA5-170 (80199656) | |
| **15 | SpannerWrench | |
| for Tool Series { }2A{ } | CPS2-478 (45611563) | |
| for Tool Series { }5A{ } | GEA40-478 (80114440) | |
| **16 | Dowel Pin | |
| for SpannerWrench CPS2-478 | CPS2-478L (45611639) | |
| for SpannerWrench GEA40-478 | GEA40-478S (80114689) | |
| *17 | Clamp Fixture (for Models { }005P{ }, { }010P{ }, { }015P{ }, { }018P{ }) | CPS2-K48 (45626546) |
| **^18 | Reaction Bar Assembly | DEA120-K48 (04642369) |
| **^19 | Mounting Plate Assembly | DAM120-K48 (04340535) |
| **^21 | Mounting Plate Assembly (flanged) | GEM120-K48 (80112790) |
| † | Socket Tray Retaining Pin & Spring (for 3/8" and 1/2" square drives) | KIT-PFS (45567997) |
| † | Socket Tray Retaining Pin & Spring (for 3/8" square drive only, Quantity: 5 of each) | GEA15-38KIT-5 (45612033) |
| † | Socket Tray Retaining Pin & Spring (for 1/2" square drive only, Quantity: 5 of each) | GEA40-38KIT-5 (45612041) |
Parts and Maintenance
Use lithium-based, electrical contact grease with no particles for all electrical connections.
When tool life has expired, it is recommended that the tool be disassembled, degreased and parts separated by material for proper recycling.
Tool repair and maintenance should only be carried out by an authorized Service Center.
Refer all communications to the nearest Ingersoll Rand office or distributor.
Related Documentation
Manuals can be downloaded from ingersollrand.com
For additional information, refer to:
Product Safety Information Manual TL-VP1T-SIM and TL-VP1T-SIMV
Product Information Manual TL-VP1T-PIM
Maintenance Information Manual TL-VP1T-MIM
TL-VP1T-PLM_ed2
Notes:
Notes:
ingersollrand.com © 2022 Ingersoll Rand